Válvula divisoria de flujo de 3 vías Parker
La selección de cuerpos y cavidades especiales de Parker está diseñada para usarse específicamente con la línea de válvulas de cartucho tradicionales de Parker. Estos cuerpos y cavidades están disponibles con varios tamaños de puerto y configuraciones de rosca en aluminio anodizado para presiones inferiores a 210 bar (3000 psi) o acero galvanizado para aplicaciones con presiones de hasta 350 bar (5000 psi). Estos cuerpos y cavidades son ideales para máquinas prototipo o para uso individual en válvulas.
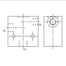
Especificaciones técnicas
- Número de posiciones: 3 vías
- Tamaño de conexión: -6 principal, -4 auxiliar
- Tipo de conexión: SAE
- Tamaño de la cavidad: 53-1
- Material del cuerpo: acero
- División: División de Sistemas Móviles Europa
- Tamaño de la cavidad: 53-1
- Número de posiciones: 3 vías
- Tamaño de conexión: -6 principal, -4 auxiliar
- Tipo de conexión: SAE
- Material del cuerpo: acero
- Presión máxima de funcionamiento: 5000 psi, 350 bar
- Peso: 1,5 libras, 0,68 kg
- Para tipo de fluido: fluidos hidráulicos sintéticos o a base de minerales
- Tipo de actuación: determinado por la válvula de cartucho roscada instalada en el cuerpo de la línea
- Caudal: determinado por la válvula de cartucho roscada instalada en el cuerpo de la línea
- Caudal máximo: determinado por la válvula de cartucho roscada instalada en el cuerpo de la línea
- Temperatura máxima de funcionamiento: determinada por la válvula de cartucho roscada instalada en el cuerpo de la línea
- Temperatura mínima de funcionamiento: determinada por la válvula de cartucho roscada instalada en el cuerpo de la línea
- Material del sello: determinado por la válvula de cartucho roscada instalada en el cuerpo de la línea

